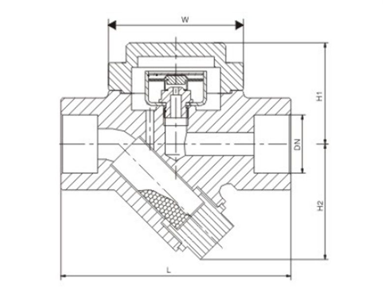
Structure Characteristics:
1. It is excellent in air discharge capacity, and is resistant to overheating steam and water hammer.
2. It has a certain circled operation when the temperature is too low during a certain scale of pressure.
3. The valve body is loaded with sylphon, which can be one single unit, or double units, or even multi units. It can also be applied into the occasions which requires for large discharge capacity.
4. It is equipped with temperature-sensing element and is strong in corrosion resistance, which makes the valves much durable in service.
5. The valve body can be WCB or stainless steel with small size and light weight. Vertical installation will show the best performance of valves, while they can also be installed in any angle.
Main application:
Sylphon type steam trap is widely applied in hot steam main line, steam traced pipe, dryer and industrial heating steam equipment system and so on.





